EST-100M身份證二維碼二合一識讀模組
EST-100M是廣東東信智能科技有限公司研發的一款身份證掃碼多功能識讀器模組,EST-100M集成了一維碼識別、二維碼識別、身份證信息讀取、IC卡讀寫的多種功能的智能身份證二維碼識別模組,非常適合嵌入各種行業的產品中使用,例如自助機、排隊叫號機、機器人、人臉測溫一體機、訪客機、人證機、通道閘機、門禁、圖書借閱終端、醫療終端、銀行終端等設備里面,安裝靈活,固定方便。

產品主要特點:
1、EST-100M身份證二維碼二合一識別模組采用最新一代身份證核驗專用小模塊,無需聯網,脫機即可讀取身份證芯片里面的全部身份信息。
2、采用二維嵌入式識讀引擎,應用了國際先進的芯片化智能圖像識別技術,可識讀各類主流一維條碼及標準二維條碼,非常適合嵌入各種行業的產品中使用。
3、二維碼識讀碼制:2D:PDF417, QR Code, DataMatrix, etc;1D:Code 128, EAN-13, EAN-8, Code 39, UPC-A, UPC-E, Codabar, Interleaved 2 of 5, ITF-6, ITF-14, ISBN, Code 93, UCC/EAN-128, GS1 Databar, Matrix 2 of 5, Code 11, Industrial 2 of 5, Standard 2 of 5, Plessey, MSI-Plessey, etc
4、EST-100M身份證小模組性能強,支持多種通信方式,包括USB接口、TTL串口、RS232串口,可根據終端設備不同接口選擇對應型號使用。身份證小模組支持個性化定制,包括天線板尺寸定制、接口定制等。
5、EST-100M尺寸小,便于安裝,提供開放的應用程序接口(SDK開發包)。
二次開發支持:
Windows:支持C、C#、C++、Delphi、Java,VC,VB,PB、Python等語言二次開發;
Android:提供Demo開發源碼,可提供測試的apk;
BS開發:支持JSP、PHP、ASP、HTML、ASPX等WEB語言的二次開發,提供網頁瀏覽器的Demo;
Linux:支持;
單片機:支持,可提供串口底層通訊協議。
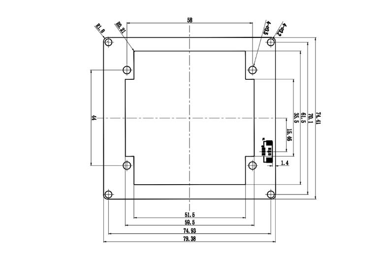
身份證+二維碼天線板尺寸圖:

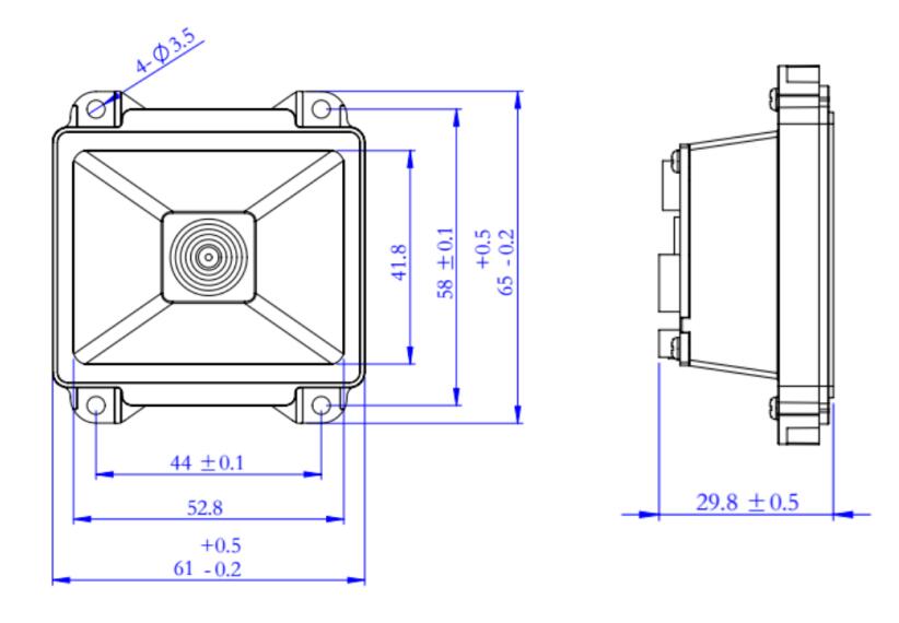
二維碼尺寸圖:

小模組產品實物圖:

(*由于產品升級或其他原因,EST-100M身份證二維碼二合一識讀模組產品實際參數有可能變更,以實際產品為準。本文中的所有陳述、信息和建議也不構成任何明示或暗示的擔保)
上一篇: 微型SAM身份證安全模塊
下一篇: EST-100M嵌入式身份證讀卡器小模組




















































